2011
公司成立于2011年
9
9项实用新型专利
3
3项发明专利
15
15项软件著作权
关于我们
产品展示
Dry fog and dust suppression
干雾抑尘
Waste incineration
固废、危废、医废
Water treatment
水处理
Nozzles, spray guns
喷嘴、喷枪
Module skid equipment
模块撬装设备
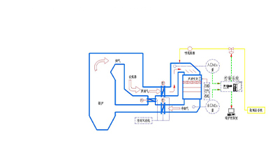
Fine desulfurization of blast furnace gas
高炉煤气精脱硫工艺
Denitration process
脱硝工艺
逐源优势
坚定的信念
“为社会节约资源,为用户创造价值”是长久以来我们一直坚持的信念,以社会价值为己任,以客户价值为目标,依靠我们的产品和技术,为客户实现长远的价值目标。
细致的工艺
专业的研发团队,雄厚的技术力量及资源,使我们一直站在行业的前沿。
精密的生产
我们有着先进的数控生产设备,严格的生产检验制度,并通过了国际质量体系ISO9001-2015版认证。
周到的服务
通过建立完善的质量管理体系及售后服务体系,力争为客户提供专业的技术服务。
成功案例
唐山市东华钢铁高炉煤气脱硫项目--喷枪撬装
敬业集团项目
潍柴动力2号厂脱硫脱硝项目
秦皇岛宏兴钢铁高炉煤气精脱硫项目
OB电竞
超声波喷嘴和洗车台喷嘴在结构和工作原理上有什么区别
超声波喷嘴和洗车台喷嘴是工业上两种常见的喷嘴,在不同的领域发挥着···
脱硫废液是怎样产生的?应该怎样处理?
脱硫废液是怎样产生的?应该怎样处理? 脱硫废液通常是在湿法脱硫的···
焚烧的危险废物的烟气净化工艺技术
由于焚烧的危险废物的不确定性,为确保烟气达标排放,危险废物焚烧烟···
合作伙伴